石家河镇2025年政府信息公开工作年度报告
本年度报告根据《中华人民共和国政府信息公开条例》(以下简称《条例》)、天门市政务服务和大数据管理局印发的《关于编制发布2025年度政府信息公开工作年度报告的通知》规定和要求编制。报告所列数据的统计期限自2025年1月1日起至2025年12月31日止。本年度报告的电子版可在天门市人民政府门户网站(www.tianmen.gov.cn)下载。如对本报告有任何疑问,请与石家河镇党政办公室联系。(联系电话:0728-4891001)
一、总体情况
2025年,石家河镇以习近平新时代中国特色社会主义思想为指导,深入贯彻党的二十大和二十届二中、三中全会精神,主动规范公开政务信息,切实保障人民群众的知情权、参与权、表达权和监督权,以高质量政务公开助力基层治理提质增效。
(一)主动公开情况。紧密围绕市委、市政府中心工作,聚焦巩固拓展脱贫攻坚成果同乡村振兴有效衔接、美丽乡村建设、共同缔造活动、两保征收等民生热点信息,着眼加大信息公开力度,全年累计主动公开政府信息294条。
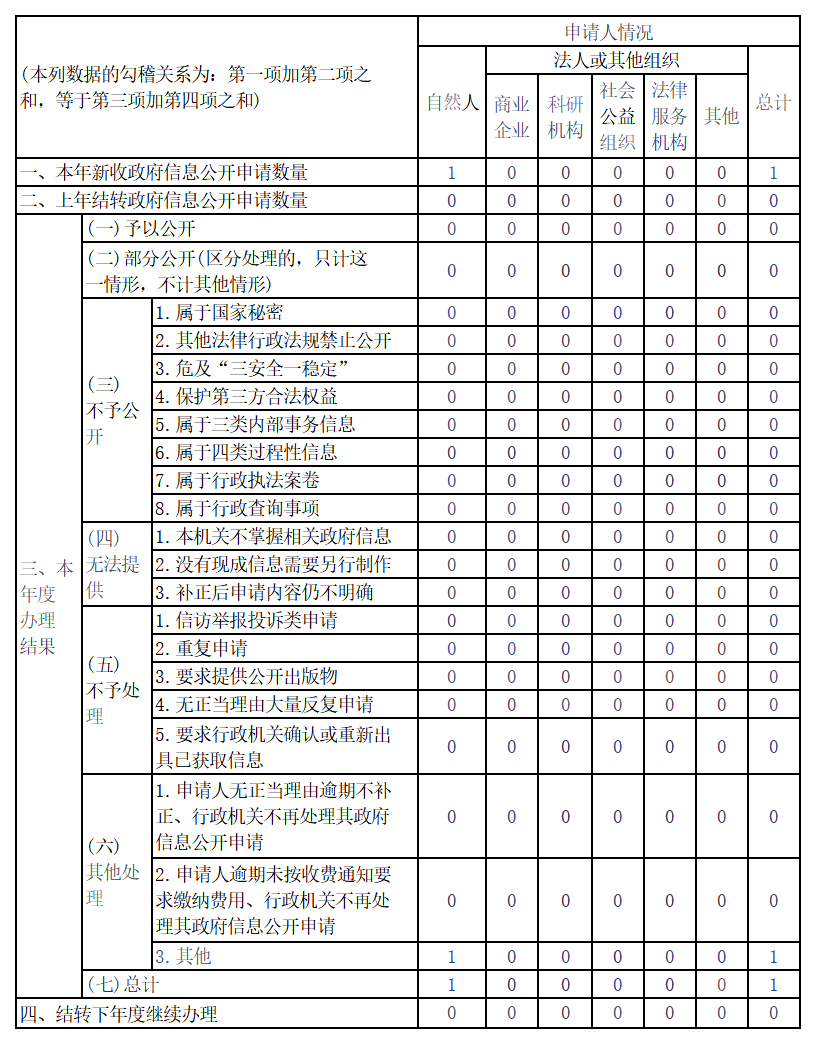
(二)依申请公开情况。2025年我镇收到依申请公开事项1条。
(三)政府信息管理情况。一是优化信息梳理,聚焦公开重点。围绕2025年全镇重点工作任务,系统梳理财政资金、规划总结等关键领域信息,确保公开内容精准对接群众需求。二是强化源头管控,提升信息质量。在政策文件、工作方案等材料起草阶段同步明确公开属性,从源头把控信息质量;加强信息校对审核,规范公开信息的表述、格式和发布口径,提升政府信息公开的权威性和准确性。
(四)政府信息公开平台建设情况。本年度我镇持续加大政府信息公开平台建设力度,深化“一微一端”等新媒体平台联动运营,提升信息传播力和可读性,增强服务效能。
(五)监督保障情况。强化内部自查自纠,对公开发布的信息定期开展“回头看”,重点核查内容准确性、发布时效性、格式规范性等,发现问题立行立改,形成闭环管理。
二、主动公开政府信息情况
2025年,全镇累计主动公开政府信息294条。公开情况如下:
(一)市政府门户网站。在石家河镇政府门户网站公开政府信息72条,其中概况信息类4条、公开指南目录年报类2条、规划总结3条、工作动态58条、财政资金2条、本地概况1条、卫生健康1条、其他主动公开内容1条。
(二)新媒体平台。在“石家河发布”微信公众号上公开信息133条。
(三)主流媒体报道情况。天门日报报道石家河镇篇65条,荆楚网14条,人民网3条,新华网3条,央视网4条。

三、收到和处理政府信息公开申请情况

四、政府信息公开行政复议、行政诉讼情况
2025年,我镇严格按照《条例》和上级部门有关规定开展政府信息公开工作,未发生有关政府信息公开事务的举报、投诉、行政复议、行政诉讼情况。

五、存在的主要问题及改进情况
(一)上年度存在的问题及改进情况
上年度存在的问题主要是重点领域信息主动公开仍需深化、公开形式不够丰富。针对以上问题,我镇本年度从两个方面进行了改进:一是加大重点领域信息采集力度。系统梳理重点领域信息公开清单与标准,明确重点领域部门信息的共享职责,建立“周汇总、月通报” 常态化沟通机制,确保信息精准及时;二是拓展多样化公开形式。线上采用图片、音频等可视化形式解读政策,线下在社区广场等区域设置固定公开栏,切实让信息公开接“地气”、暖“民心”。
(二)本年度存在的问题及下年度改进措施
本年度存在的问题主要是政策解读不够深入、信息公开的队伍还需加强。下一步我镇将从两个方面加强改进:一是建立“同步发布+多元解读”机制。推行政策文件与解读材料同出同达,通过专题讲座、线上直播、入户宣讲等通俗化形式,精准解读政策要点及民生关联,提升群众理解度;二是构建“培训+帮带”提升体系,每年开展政策法规、流程规范等专题培训,同步推行业务骨干帮带模式,全面提升工作人员专业素养。
六、其他需要报告的事项
(一)政府信息处理费收取情况。2025年我镇收到政府信息公开申请1条,无政府信息公开信息处理费。
(二)建议提案办理公开情况。2025年我镇无相关建议提案办理工作。
(三)重点领域政府信息公开情况。2025年我镇紧紧围绕乡村振兴、安全生产、公共法律服务、卫生健康、教育、就业等公益事业建设,积极发布重点领域信息5条,其中石家河镇政府门户网站公开雨露计划扶持资金信息2条。“石家河发布”微信公众号解读、宣传相关政策71条。
扫一扫在手机上查看当前页面
附件: