天门市佛子山镇2025年政府信息公开工作年度报告
本年度报告根据《中华人民共和国政府信息公开条例》(以下简称《条例》)、天门市政务服务和大数据管理局印发的《关于编制发布2025年度政府信息公开工作年度报告的通知》规定和要求编制,报告所列数据的统计期限自2025年1月1日起至2025年12月31日止。
一、总体情况
2025年,佛子山镇坚持以习近平新时代中国特色社会主义思想和党的二十大精神为指引,认真贯彻落实省、市关于政府信息公开工作有关部署要求,紧密围绕中心工作,及时主动向社会公布相关信息,充分保障人民群众的知情权、参与权、表达权和监督权。
(一)政府信息主动公开情况。2025年我镇坚持“公开为常态、不公开为例外”原则,深化政务公开,聚焦乡村振兴、和美乡村建设、禁毒反诈、两保征收等民生热点信息,着眼加大信息公开力度,全年累计主动公开政府信息211条。
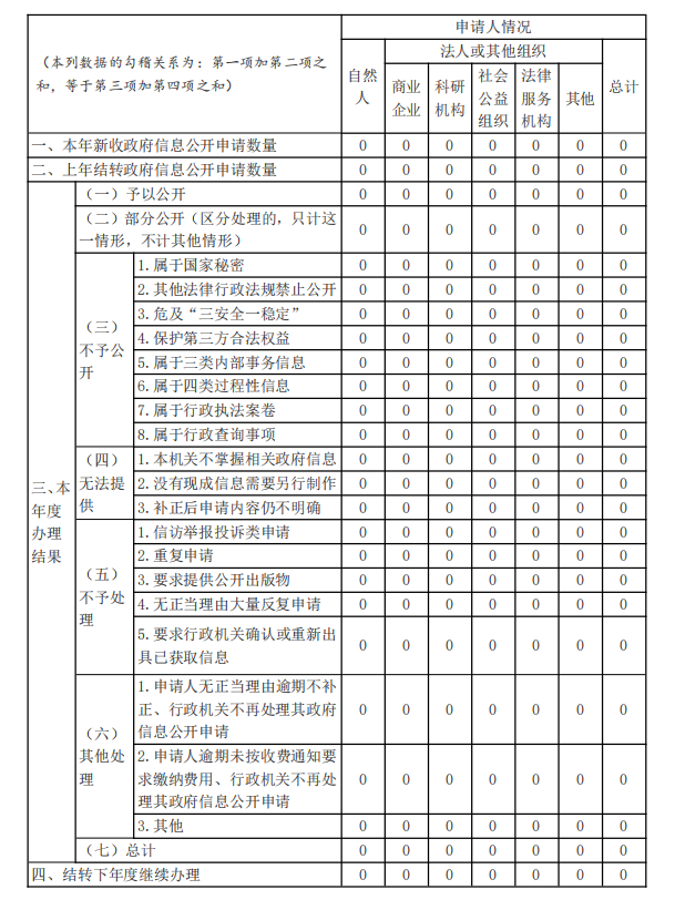
(二)政府信息依申请公开情况。2025年我镇收到依申请公开事项0条。
(三)政府信息管理情况。持续推进完善政府信息公开制度机制,严把政务公开内容和项目关,既防止该公开的不公开,又防止不该公开的乱公开。所有拟公开的政务信息,经办公室审核后,镇领导审批签字后才予以发布,确保无泄密事件发生。
(四)政府信息公开平台建设情况。持续加大政府信息公开平台建设力度,围绕中心工作不断丰富信息公开内容、形式,增强一微一端和其他新媒体平台信息的联动性,增强服务效能。
(五)监督保障情况。加强自查自评工作,对公开发布的内容定期开展“回头看”,发现问题及时整改。对外主动公开监督举报联系方式,广泛接受社会监督。本年度未发生责任追究情况。
二、主动公开政府信息情况
2025年,全镇累计主动公开政府信息211条。公开情况如下:
(一)市政府门户网站。在佛子山镇政府门户网站公开政府信息51条,其中公开指南目录年报1条、概况信息类1条、领导信息10条、政府文件3条、规划总结1条、工作动态34条、财政资金1条。
(二)新媒体平台。在“佛子山镇发布”微信公众号上公开信息84条。
(三)主流媒体报道情况。全年在市级以上主流媒体刊发稿件76篇,其中国家级3篇、省级49篇、市级24篇。

三、收到和处理政府信息公开申请情况
2025年,我镇收到政府信息依申请公开0件。

四、政府信息公开行政复议、行政诉讼情况
2025年,我镇严格按照《条例》和上级部门有关规定开展政府信息公开工作,未发生有关政府信息公开事务的举报、投诉、行政复议、行政诉讼情况。

五、存在的主要问题及改进情况
本年度,我镇政务公开工作仍存在重点领域信息公开深度不足、公开形式较为单一等问题。下一步,将主要从两方面加以改进:一是加大重点领域信息采集力度,梳理公开范围与要求,明确责任部门,建立定期共享机制,确保信息及时准确发布;二是拓展多样化公开形式,线上运用图表等方式解读政策,线下通过设置信息公开栏、举办讲座等形式,推动信息公开更接地气、更顺民心。
六、其他需要报告的事项
(一)政府信息处理费收取情况。2025年我镇未收到政府信息公开申请,无政府信息公开信息处理费。
(二)建议提案办理公开情况。2025年我镇无相关建议提案办理工作。
扫一扫在手机上查看当前页面
附件: