天门市物流发展局2025年部门预算公开
目 录
第一部分 部门概况
一、主要职责及机构设置情况
二 、部门预算单位构成
三、 人员构成
第二部分 2025年部门预算编制情况说明
一、预算收支安排及增减变化情况
二、机关运行经费预算安排及增减变化情况
三、“三公”经费预算安排情况及增减变化情况
四、政府采购预算安排情况
五、国有资产占用情况
六、重点项目预算的绩效目标等预算绩效情况说明
第三部分 2025年部门预算公开收支表
一、部门收支总表
二、部门收入总表
三、部门支出总表
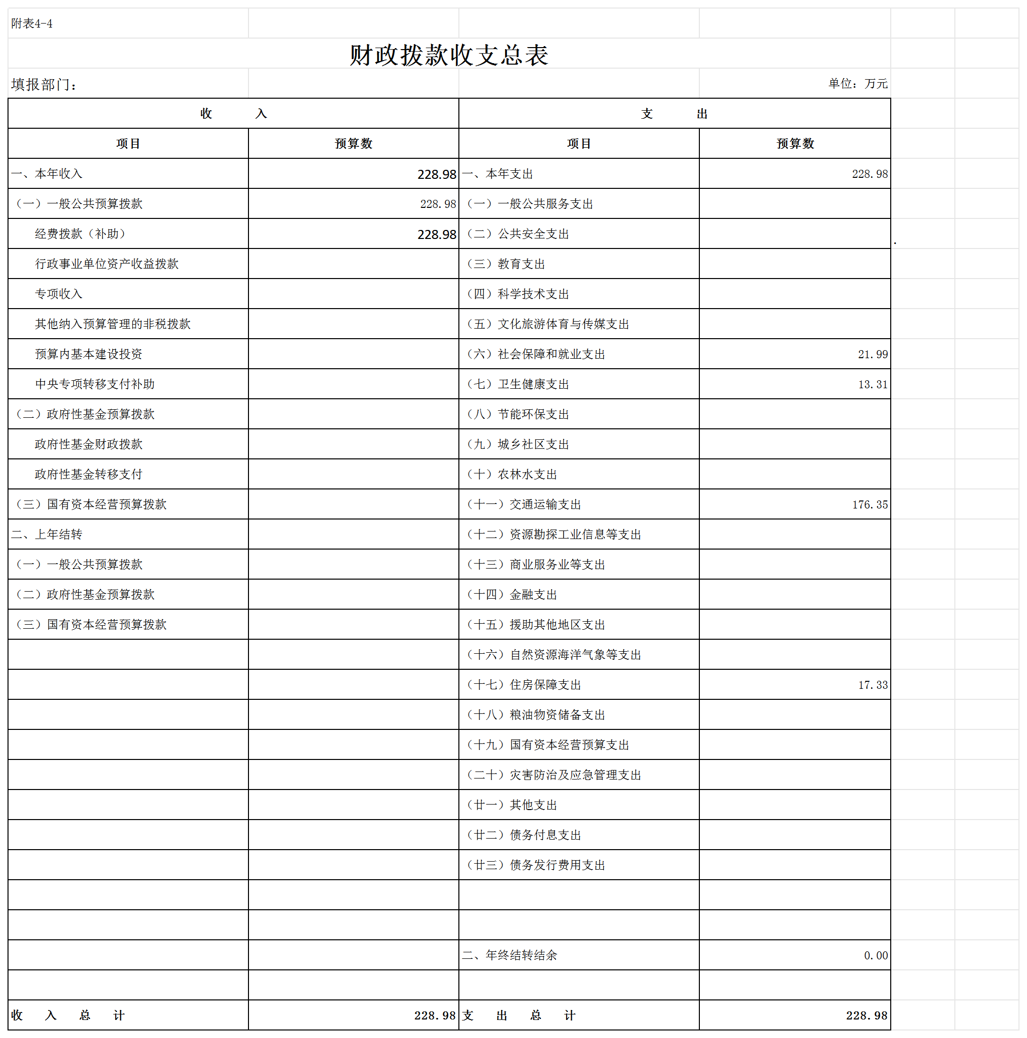
四、财政拨款收支总表
五、一般公共预算支出表
六、一般公共预算基本支出表
七、一般公共预算“三公”经费支出表
八、政府性基金预算支出表
九、项目支出表
十、国有资本经营预算支出表
第四部分 名词解释
第一部分 天门市物流发展局概况
一、主要职责及机构设置情况
(一)主要职责
1、贯彻执行国家和省有关物流的法律、法规和方针、政策;参与制订和实施全市物流行业发展规划和计划。
2、受市交通局委托,负责全市交通物流行业管理,维护正常的市场秩序;规范协调交通物流与其他行业物流方式之间、地区之间、企业之间的关系。
3、执行省物流系统财务会计管理办法;按上级部门要求编制全市交通物流行业部门预算和决算;负责全市交通物流基础设施建设项目政策性专项资金的申报、拨付与管理。
4、组织实施和管理全市交通物流行业科技开发、应用和信息化建设,执行物流技术规范和标准,并负责管理和监督;负责全市交通物流数据信息管理,提供公共信息服务。
5、负责全市交通物流基础设施建设项目的投融资和管理;规划和实施交通系统大宗商品和农村物流工程建设。
6、负责建立交通应急物流设施设备配置、更新和保障体系。
7、负责全市交通物流行业的精神文明和党风廉政建设以及交通物流从业人员的教育培训。
8、承办上级交办的其他工作。
(二)机构设置情况
本单位机关内设办公室、计划财务科、物流发展科、规划建设科、科技信息科等5个科室。本单位现有在编在职职工14人,退休11人,共计25人。
二、部门预算单位构成
纳入天门市物流发展局2025年部门预算编制范围的预算单位为本级。
三、人员构成
天门市物流发展局编制人数18人,其中:事业编制18人;在职实有人数14人,其中:事业人员14人。
离退休人员11人,其中:退休11人。
第二部分 天门市物流发展局预算编制情况说明
一、预算收支安排及增减变化情况
1.预算收入情况:2025年预算收入总额228.98万元,比上年预算增加32.94万元,增长16.8%。主要是一般公共预算财政拨款 收入.收入增加的主要原因是:(1)2025年调入两名职工,经费增加;(2)2025年增加了在职和退休人员的考核绩效奖.
2.预算支出情况:2025年预算支出总额 228.98万元,比上年预算增加32.94万元,增长16.8%。其中:人员类项目支出205.25万元,公用经费项目支出23.73万元,无其他运转类项目支出,无特定目标类项目支出。本年支出构成为:一般公共服务支出 176.35万元,占本年支出77.02%;社会保障和就业支出21.99万元,占本年支出9.6%;医疗卫生支出13.31万元,占本年支出5.81%;住房公积金支出17.33万元,占本年支出7.57%。支出增长主要原因是:1.2025年调入两名职工,经费增加;2.2025年增加了在职和退休人员的考核绩效奖。
二、机关运行经费预算安排及增减变化情况
2025年机关运行经费预算总额23.73万元,比上年预算增加2.51万元,增长11.82%。其中:办公费3.5万元、印刷费 0.7万元、水费 0.28万元、电费1.12万元、邮电费1.4万元、物业管理费 0.42万元、差旅费 2.8万元,维修(护)费0.42万元,会议费0.7万元。培训费0.28万元,公务接待费0.28万元,工会经费1.22万元,福利费2.1万元,公务用车运行维护费6万元,其他商品及服务支出2.51万元。增长主要原因是;2025调入两名职工。
三、一般公共预算“三公”经费及增减变化情况
2025年“三公”经费预算6.28万元,较上年预算增加0.04万元,增长0.06%,其中:公务接待费0.28万元,较上年增加0.04万元,增长16.67%.增长原因:2025年调入两名职工,经费增加.无因公出国(境)经费,公车运行维护费 6万元,较上年无变化。
四、政府采购预算安排情况
2025年政府采购预算:本单位2025年暂无政府采购预算。
五、国有资产占用情况
截至上年底,本部门占有使用国有资产500.30万元,主要资产为:土地9906.25平方米,房屋4717.08平方米,一般公务用车 2辆,单位没有价值10万元(含)以上通用设备。
六、重点项目预算的绩效目标
2025年本单位无重点项目。
第三部分 2025年部门预算公开表
附表:2025年部门预算公开表
一、部门收支总表

二、部门收入总表

三、部门支出总表

四、财政拨款收支总表

五、一般公共预算支出表

六、一般公共预算基本支出表

七、一般公共预算“三公”经费支出表

八、政府性基金预算支出表

注表8为空表
九、项目支出表

注表9为空表
十、国有资本经营预算支出表

第四部分 名词解释
一、一般公共预算财政拨款收入:指本级财政一般公共预算当年拨付的资金。
二、人员类项目:指部门和单位有关人员的工资福利支出、对个人和家庭的补助支出项目。
三、运转类项目:指各部门和单位为保障其机构自身正常运转、完成日常工作任务所发生的公用经费项目和专项用于大型公用设施、大型专用设备、专业信息系统运行维护等的其他运转类项目。
四、特定目标类项目:指部门和单位为完成其特定的工作任务和事业发展目标所发生的支出。
五、机关运行经费:为保障行政单位(包括参照公务员法管理的事业单位)运行用于购买货物和服务的各项资金,包括办公及印刷费、邮电费、差旅费、会议费、福利费、日常维修费、专用材料及一般设备购置费、办公用房水电费、办公用房取暖费、办公用房物业管理费、公务用车运行维护费以及其他费用等。
六、“三公”经费:指使用一般公共预算财政拨款安排的因公出国(境)费、公务用车购置及运行维护费和公务接待费。其中,因公出国(境)费用反映单位公务出国(境)的国际旅费、国外城市间交通费、住宿费、伙食费、培训费、公杂费等支出;公务用车购置及运行维护费反映单位公务用车车辆购置支出(含车辆购置税)及租用费、燃料费、维修费、过桥过路费、保险费、安全奖励费用等支出;公务接待费反映单位按规定开支的各类公务接待(含外宾接待)费用。
七、政府采购:是指各级国家机关、事业单位和团体组织,使用财政性资金采购依法制定的集中采购目录以内的或者采购限额标准以上的货物、工程和服务的行为。政府采购不仅是指具体的采购过程,而且是采购政策、采购程序、采购过程及采购管理的总称,是一种对公共采购管理的制度,是一种政府行为。
扫一扫在手机上查看当前页面